HJC黄金城
首页
工业机械手
爱普生机器人
三菱机器人
工控产品
松下伺服
松下传感器
三菱工控
高创传动
施耐德工控
斯普锐读码器
传动元件
雅科贝思
SATA
PI
气动元件
SMC
EMC
机器人视觉
振动台
机械冲击试验台
HJC黄金城:功率器件参数测试仪
解决方案
关于HJC黄金城
公司简介
企业文化
企业理念
联系HJC黄金城
海康威视
首页
>
视觉
>
海康威视
HJC黄金城:
工业机械手
爱普生机器人
三菱机器人
工控产品
松下伺服
松下传感器
三菱工控
高创传动
施耐德工控
斯普锐读码器
传动元件
雅科贝思
SATA
PI
气动元件
SMC
EMC
测试设备
振动台
机械冲击试验台
HJC黄金城:功率器件参数测试仪
视觉
海康威视
巴斯乐工业相机
CE系列工业面阵相机
型号:MV-CE003-20GC
功能特性
支持自动或手动调节增益、曝光时间、LUT、Gamma 校正等
彩色相机植入优异的图像插值算法,更好的颜色还原,并且支持自动平衡
在线询价
产品说明
千兆以太网接口,无中继情况下,最大传输距离可到 100m
兼容 GigE Vision V1.2 协议及 GenlCam标准,无缝链接第三方软件
订货型号
MV-CE003-20GC 彩色相机
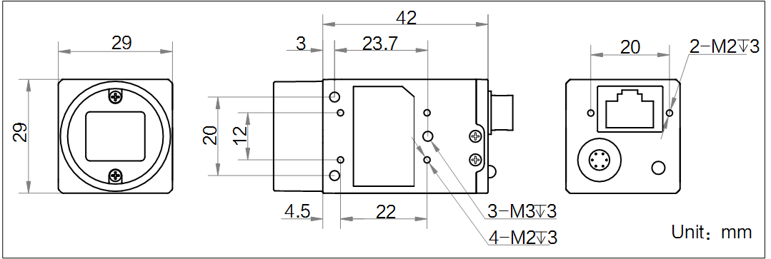
外形尺寸
相关产品
CE系列工业面阵相机
CE系列工业面阵相机
CE系列工业面阵相机
工业机械手
工控系列
传动元件
一键拨号